Productos

ZolodaShopProtectores contra sobretensiones transitoriasProtectores para corriente alterna tipo 2Protector contra sobretensiones transitorias, de CA, tipo 2, tripolar, con señalización

Protector contra sobretensiones transitorias, de CA, tipo 2, tripolar, con señalización

PDA-320275CA-2

390.007

SKU: PDA-320275CA-2 | 390.007 Categoría:

Descripción

Características Generales

Dimensiones

  • Alto: 90
  • Profundidad: 66
  • Ancho: 54

Material envolvente: UL94V-0

En conformidad con: IEC 61643-11/EN 61643-11

Especificaciones Técnicas

Tensión nominal: 230 VCA

Tensión máxima de funcionamiento continuo: 275 VCA

Corriente máxima de descarga: 40 kA

Corriente nominal de descarga: 20 kA

Tiempo de respuesta: ≤ 25 ns

Temperatura de operación: -40 a +80 °C

Humedad relativa: 30 % a 90 %

Altitud: ≤ 2000 m

Grado de protección: IP20

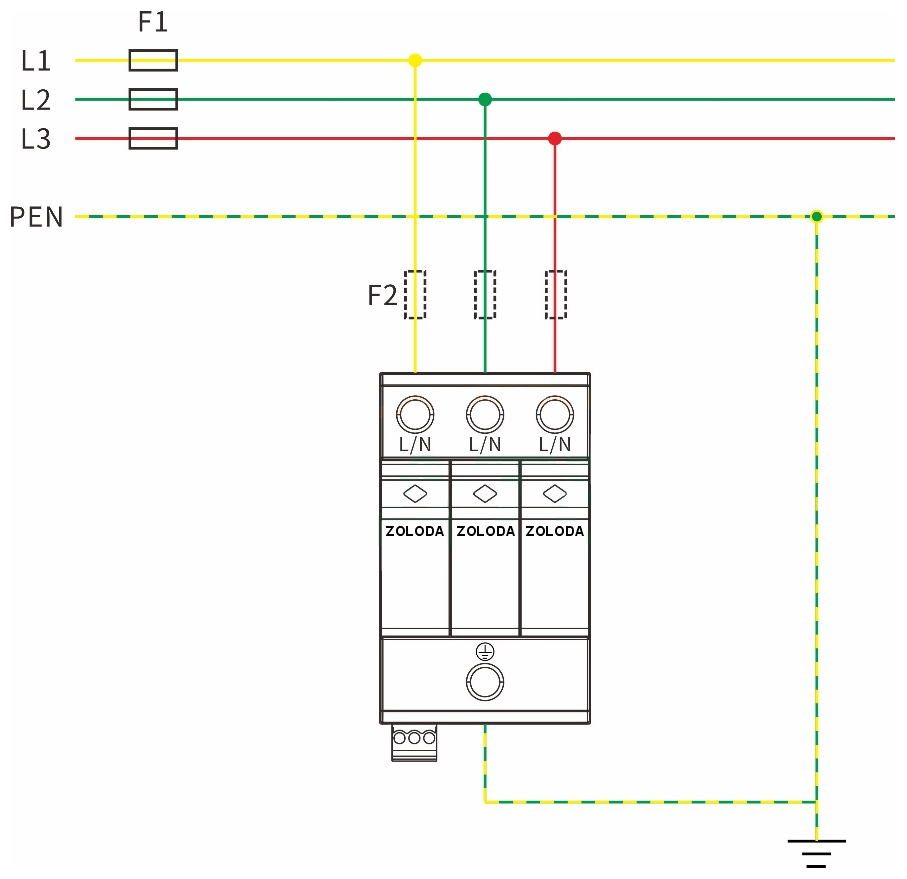
Fusible de respaldo

Si F1>125Amp        F2=125Amp gLgG

Si F1<=125Amp     F2=no es obligatorio

Base portafusible: BMFP 22X58 -cód. 366.013

Fusible: F/2258-125 – cód. 380.048

 

Instructivos

Instructivo PDA-20275